제품

반복성: ±0.01mm
수평 하중: 200kg
수직 하중: 65kg
최대 속도: 1250mm/s
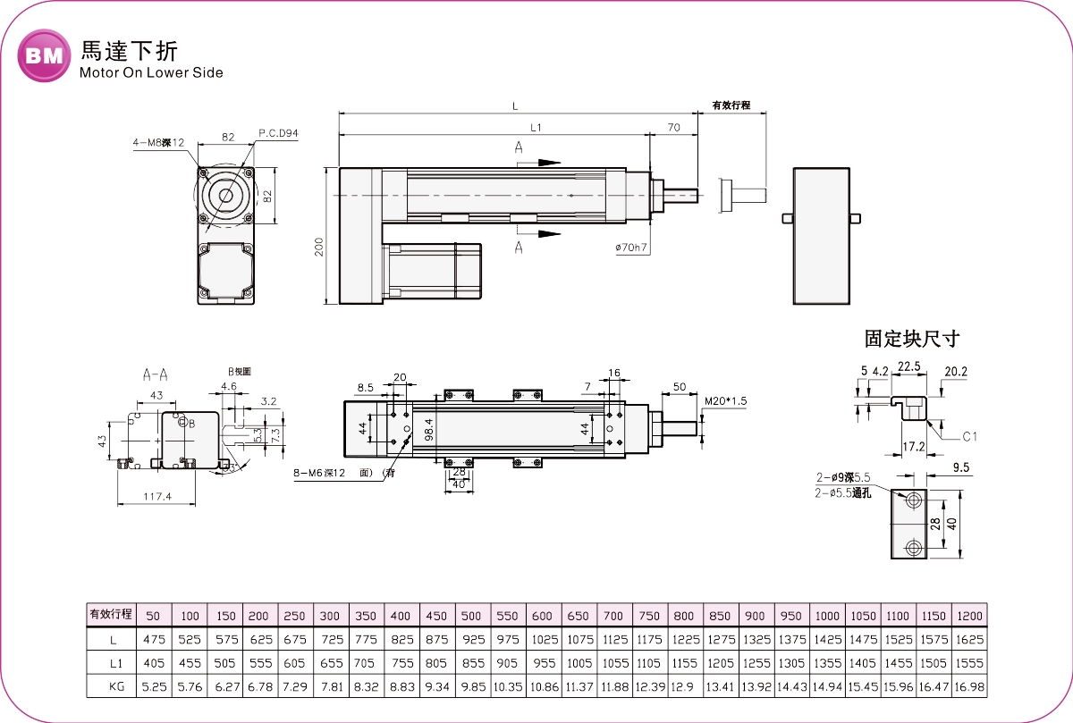
이동 범위: 50-1200mm
모터 가속 및 감속 시간을 0.2 초로 설정하십시오.
표준 규격은 역회전 크레인 사용에는 적용할 수 없습니다. 특별한 요구 사항이 있으시면 전화 또는 온라인 메시지를 통해 문의해 주십시오.
배송 기간: 7-10일




| 투기 | 반복성(mm) | ±0.01 | |||
| 리드(mm) | 5 | 10 | 25 | ||
| 최대 속도(mm/s) | 250 | 500 | 1250 | ||
| 최대 탑재량 | 수평(kg) | 200 | 180 | 138 | |
| 수직(kg) | 65 | 55 | 25 | ||
| 정격 추력(N) | 2520 | 1260 | 504 | ||
| 스트로크 피치(mm) | 50-1200mm/50피치 | ||||
| AC 서보 모터 출력(와트) | 750와트 | ||||
| 부분품 | 볼 스크류 Ø(mm) | C7Ø25 | |||
| 커플링(mm) | 17X19 | ||||
| 홈 센서 | 밖의 | CS-6T | |||


| 사용 위치 | 구동 모드 | 모델 사양 | 모터 출력(와트) | 너비(mm) | 반복성(mm) | 볼 스크류 사양 | 최대 탑재량(kg) | 최대 속도 (mm/s) *1 | ||
|---|---|---|---|---|---|---|---|---|---|---|
| 외경(mm) | 리드(mm) | 수평의 | 수직의 | |||||||
| 표준 환경 | 볼 스크류 | EC 50 | 100와트 | 52 | ±0.01 | 12 | 5 | 30 | 12 | 250 |
| 10 | 15 | 5 | 500 | |||||||
| EC 50L | 100와트 | 52 | ±0.01 | 12 | 5 | 50 | 15 | 250 | ||
| 10 | 30 | 8 | 500 | |||||||
| EC 50T | 100와트 | 52 | ±0.01 | 12 | 5 | 50 | 15 | 250 | ||
| 10 | 30 | 8 | 500 | |||||||
| EC 65 | 400와트 | 65 | ±0.01 | 16 | 5 | 110 | 33 | 250 | ||
| 10 | 88 | 22 | 500 | |||||||
| 16 | 48 | 10 | 800 | |||||||
| 20 | 40 | 8 | 100 | |||||||
| EC 65L | 400와트 | 65 | ±0.01 | 16 | 5 | 110 | 33 | 250 | ||
| 10 | 88 | 22 | 500 | |||||||
| 16 | 48 | 10 | 800 | |||||||
| 20 | 40 | 8 | 100 | |||||||
| EC 65T | 400와트 | 65 | ±0.01 | 16 | 5 | 110 | 33 | 250 | ||
| 10 | 88 | 22 | 500 | |||||||
| 16 | 48 | 10 | 800 | |||||||
| 20 | 40 | 8 | 100 | |||||||
| EC 80 | 700와트 | 80 | ±0.01 | 25 | 5 | 200 | 65 | 250 | ||
| 10 | 180 | 55 | 500 | |||||||
| 25 | 138 | 25 | 1000 | |||||||
| EC 80T | 700와트 | 80 | ±0.01 | 25 | 5 | 200 | 65 | 250 | ||
| 10 | 180 | 55 | 500 | |||||||
| 25 | 138 | 25 | 1000 | |||||||






