제품

반복성: ±0.01mm
수평 하중: 120kg
수직 하중: 50kg
최대 속도: 2000mm/s
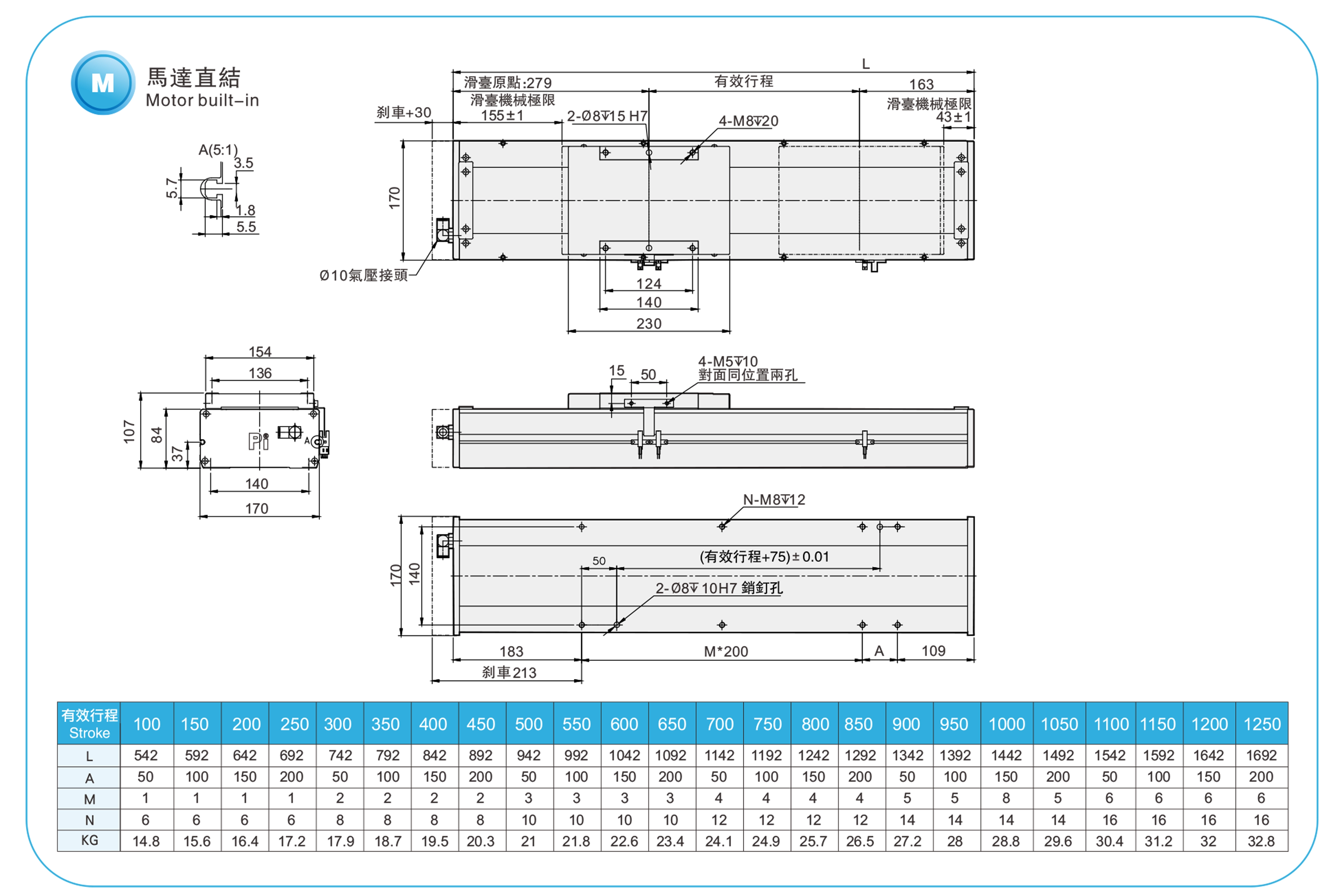
스트로크 피치: 100-1250mm
모터 가속 및 감속 시간을 0.2 초로 설정하십시오.
표준 규격은 역회전 크레인 사용에는 적용할 수 없습니다. 특별한 요구 사항이 있으시면 전화 또는 온라인 메시지를 통해 문의해 주십시오.
배송 기간: 7-10일






| 투기 | 반복성(mm) | ±0.01 | ||||
| 볼 스크류 리드(mm) | 5 | 10 | 20 | 40 | ||
| 최대 속도(mm/s) | 250 | 500 | 1000 | 2000 | ||
| 최대 탑재량 | 수평(kg) | 120 | 110 | 75 | 22 | |
| 수직(kg) | 40 | 30 | 14 | 7 | ||
| 정격 추력(N) | 1388 | 694 | 347 | 174 | ||
| 스트로크 피치(mm) | 100-1250mm/50mm 피치 | |||||
| 부분품 | AC 서보 모터 출력(W) | 400와트 | ||||
| 볼 스크류 Ø (mm) | C7Ø20 | |||||
| 고강성 선형 가이드(mm) | W20XH15 | |||||
| 커플링(mm) | 12X14 | |||||
| 홈 센서 | 밖의 | EE-SX672(NPN) | ||||
| 내장형 | EE-SX674(NPN) | |||||


| 수평 설치 | 에이 | 비 | 기음 | |
| 리드5 | 70kg | 3235 | 349 | 408 |
| 90kg | 2482 | 263 | 306 | |
| 120kg | 1850 | 187 | 217 | |
| 리드10 | 65kg | 1911 | 338 | 373 |
| 85kg | 1445 | 248 | 276 | |
| 110kg | 1102 | 182 | 202 | |
| 리드20 | 35kg | 1666 | 547 | 538 |
| 55kg | 1030 | 331 | 328 | |
| 75kg | 733 | 231 | 230 | |
| 리드40 | 15kg | 1126 | 740 | 577 |
| 22kg | 755 | 490 | 384 | |
| - | - | - | - | |

| 벽면 설치 | 에이 | 비 | 기음 | |
| 리드5 | 75kg | 377 | 322 | 2988 |
| 95kg | 288 | 246 | 2333 | |
| 120kg | 218 | 187 | 1850 | |
| 리드10 | 60kg | 408 | 368 | 2092 |
| 80kg | 296 | 266 | 1554 | |
| 110kg | 202 | 182 | 1102 | |
| 리드20 | 30kg | 633 | 644 | 1961 |
| 50kg | 365 | 369 | 1143 | |
| 75kg | 230 | 231 | 733 | |
| 리드40 | 12kg | 729 | 936 | 1417 |
| 22kg | 384 | 491 | 755 | |
| - | - | - | - | |

| 수직 설치 | 에이 | 기음 | |
| 리드5 | 20kg | 1368 | 1368 |
| 30kg | 911 | 911 | |
| 40kg | 683 | 683 | |
| 리드10 | 15kg | 1618 | 618 |
| 25kg | 970 | 970 | |
| 30kg | 808 | 808 | |
| 리드20 | 10kg | 1922 | 1922 |
| 14kg | 1377 | 1377 | |
| - | - | - | |
| 리드40 | 4kg | 2377 | 2377 |
| 7kg | 1356 | 1356 | |
| - | - | - | |

| 나의 | 1032 |
| 국회의원 | 1034 |
| 씨 | 908 |
| 사용 위치 | 구동 모드 | 모델 사양 | 모터 출력 (w) | 너비(mm) | 반복성 (mm) | 볼 스크류 사양 | 최대 탑재량(kg) | 최대 속도 (mm/s) *1 | ||
|---|---|---|---|---|---|---|---|---|---|---|
| 외경(mm) | 리드(mm) | 수평의 | 수직의 | |||||||
| 표준 환경 | 볼 스크류 | RMD12 | 100와트 | 102 | ±0.01 | 16 | 5 | 50 | 12 | 250 |
| 10 | 30 | 8 | 500 | |||||||
| 20 | 18 | 3 | 1000 | |||||||
| 32 | 5 | - | 1600 | |||||||
| 200와트 | 102 | ±0.01 | 16 | 5 | 50 | 12 | 250 | |||
| 10 | 30 | 8 | 500 | |||||||
| 20 | 18 | 3 | 1000 | |||||||
| 32 | 5 | - | 1600 | |||||||
| RMD14 | 200와트 | 135 | ±0.01 | 16 | 5 | 95 | 27 | 250 | ||
| 10 | 75 | 18 | 500 | |||||||
| 20 | 35 | 7 | 1000 | |||||||
| 32 | 15 | - | 1600 | |||||||
| 400와트 | 135 | ±0.01 | 16 | 5 | 110 | 33 | 250 | |||
| 10 | 88 | 22 | 500 | |||||||
| 20 | 40 | 10 | 1000 | |||||||
| 32 | 30 | 8 | 1600 | |||||||
| RMD17 | 400와트 | 170 | ±0.01 | 20 | 5 | 120 | 40 | 250 | ||
| 10 | 110 | 30 | 500 | |||||||
| 20 | 75 | 14 | 1000 | |||||||
| 40 | 22 | 7 | 2000 | |||||||
| 750와트 | 170 | ±0.01 | 20 | 5 | 120 | 50 | 250 | |||
| 10 | 120 | 40 | 500 | |||||||
| 20 | 83 | 25 | 1000 | |||||||
| 40 | 43 | 12 | 2000 | |||||||
| RMD22 | 750와트 | 220 | ±0.01 | 25 | 5 | 150 | 55 | 250 | ||
| 10 | 150 | 45 | 500 | |||||||
| 25 | 105 | 20 | 1250 | |||||||
| 20 | 40 | 43 | 12 | 2000 | ||||||
| RMD28 | 1500와트 | 280 | ±0.01 | 32 | 10 | 320 | 150 | 500 | ||
| 20 | 180 | 75 | 1000 | |||||||
| 32 | 75 | 35 | 1600 | |||||||
* 최고 속도는 서보 모터의 최대 회전수(3000rpm)를 기준으로 합니다. 최고 속도는 스테핑 모터의 최대 회전수(500rpm)를 기준으로 합니다.






