제품

반복성: ±0.1mm
수평 하중: 200kg
리드선: 280mm
최대 속도: 1400mm/s
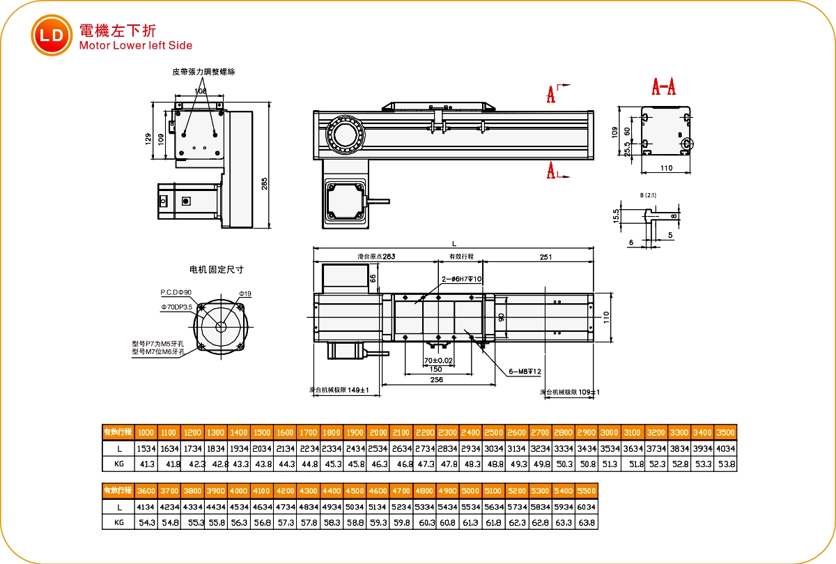
스트로크 피치: 100-5500mm
모터 가속 및 감속 시간을 0.2 초로 설정하십시오.
표준 규격은 역회전 크레인 사용에는 적용할 수 없습니다. 특별한 요구 사항이 있으시면 전화 또는 온라인 메시지를 통해 문의해 주십시오.
배송 기간: 7-10일





| 투기 | 반복성(mm) | ±0.1 | ||||||
| 리드(mm) | 200 | |||||||
| 감소율 | 10:1 | 15:1 | 20:1 | |||||
| 최대 속도(mm/s) | 1400 | 933 | 700 | |||||
| 최대 탑재량 | 수평(kg) | 100 | 150 | 200 | ||||
| 수직(kg) | 23 | 36 | 50 | |||||
| 정격 추력(N) | 517 | 774 | 1034 | |||||
| 스트로크 피치(mm) | 100-5500mm/100mm 피치 | |||||||
| 부분품 | AC 서보 모터 출력(W) | 750와트 | ||||||
| 볼 너비(mm) | 50 | |||||||
| 고강성 선형 가이드(mm) | W23XH19 | |||||||
| 홈 센서 | 밖의 | EE-SX672(NPN) | ||||||


| 수평 설치 | 에이 | 비 | 기음 | |
| 10 : 1 | 60kg | 1110 | 195 | 25 |
| 80kg | 750 | 126 | 16 | |
| 100kg | 550 | 85 | 11 | |
| 15:1 | 90kg | 1400 | 160 | 20 |
| 120kg | 940 | 100 | 13 | |
| 150kg | 650 | 63 | 8 | |
| 20:1 | 120kg | 1400 | 115 | 15 |
| 160kg | 900 | 65 | 8 | |
| 200kg | 550 | 35 | 5 | |

| 벽면 설치 | 에이 | 비 | 기음 | |
| 10 : 1 | 60kg | 25 | 195 | 1110 |
| 80kg | 16 | 126 | 750 | |
| 100kg | 11 | 85 | 550 | |
| 15:1 | 90kg | 20 | 160 | 1400 |
| 120kg | 13 | 100 | 940 | |
| 150kg | 8 | 63 | 650 | |
| 20:1 | 120kg | 15 | 115 | 1400 |
| 160kg | 8 | 65 | 900 | |
| 200kg | 5 | 35 | 550 | |

| 수직 설치 | 에이 | 기음 | |
| 10 : 1 | 12kg | 1300 | 1300 |
| 18kg | 870 | 870 | |
| 23kg | 680 | 680 | |
| 15:1 | 14kg | 1480 | 1480 |
| 25kg | 830 | 830 | |
| 36kg | 575 | 575 | |
| 20:1 | 30kg | 750 | 750 |
| 40kg | 560 | 560 | |
| 50kg | 450 | 450 | |

| 나의 | 1479.3 |
| 국회의원 | 1479.3 |
| 씨 | 189.7 |
| 사용 위치 | 구동 모드 | 모델 사양 | 감속기 메커니즘 | 모터 출력 (w) | 너비(mm) | 반복성 (mm) | 벨트 사양 | 최대 탑재량(kg) | 최대 속도 (mm/s) *1 | ||
|---|---|---|---|---|---|---|---|---|---|---|---|
| 벨트 폭(mm) | 리드(mm) | 수평의 | 수직의 | ||||||||
| 기준 | 타이밍 벨트 | 엠크르40 | 예 | 100와트 | 40 | ±0.1 | 15 | 90 | 8 | 2 | 4500 |
| MKR65 | 예 | 400와트 | 65 | ±0.1 | 30 | 130 | 60 | 17 | 5000 | ||
| MKR80 | 예 | 750와트 | 80 | ±0.1 | 35 | 200 | 100 | 24 | 5000 | ||
| 엠크110 | 예 | 750W/1000 | 110 | ±0.1 | 50 | 280 | 200 | 50 | 5000 | ||
| OBB65 | 예 | 400와트 | 65 | ±0.1 | 30 | 110 | 25 | 6 | 5000 | ||









