제품

반복성: ±0.01mm
수평 하중: 150kg
수직 하중: 55kg
최대 속도: 2000mm/s
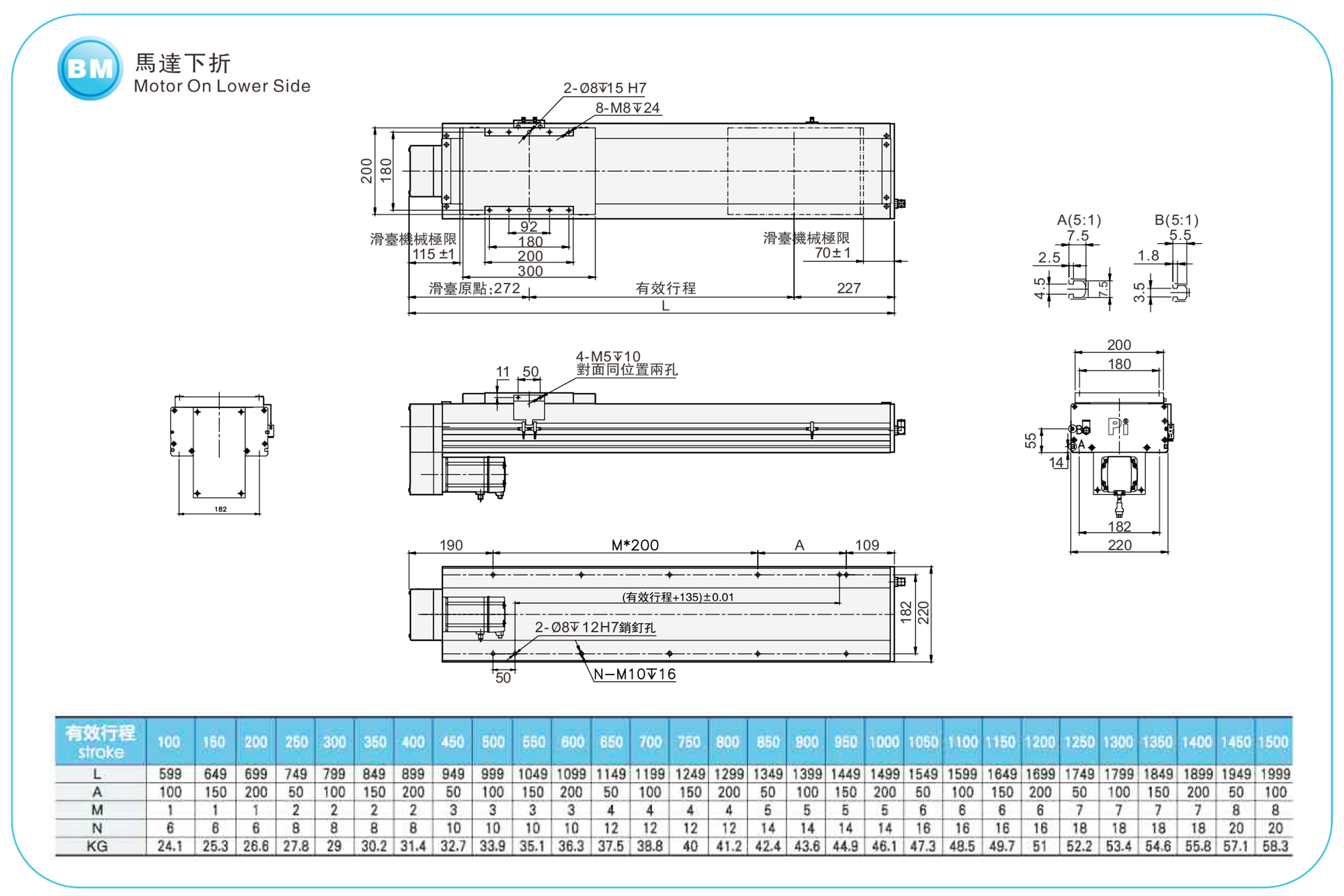
스트로크 피치: 100-1500mm
모터 가속 및 감속 시간을 0.2 초로 설정하십시오.
표준 규격은 역회전 크레인 사용에는 적용할 수 없습니다. 특별한 요구 사항이 있으시면 전화 또는 온라인 메시지를 통해 문의해 주십시오.
배송 기간: 7-10일






| 투기 | 반복성(mm) | ±0.01 | ||||
| 볼 스크류 리드(mm) | 5 | 10 | 20 | 40 | ||
| 최대 속도(mm/s) | 250 | 500 | 1000 | 2000 | ||
| 최대 탑재량 | 수평(kg) | 150 | 150 | 105 | 40 | |
| 수직(kg) | 55 | 45 | 20 | 12 | ||
| 정격 추력(N) | 2565 | 1281 | 640 | 320 | ||
| 스트로크 피치(mm) | 100-1500mm/50mm 피치 | |||||
| 부분품 | AC 서보 모터 출력(W) | 750와트 | ||||
| 볼 스크류 Ø (mm) | C7Ø25 | |||||
| 고강성 선형 가이드(mm) | W23XH18 | |||||
| 커플링(mm) | 17X19 | |||||
| 홈 센서 | 밖의 | EE-SX672(NPN) | ||||
| 내장형 | EE-SX674(NPN) | |||||


| 수평 설치 | 에이 | 비 | 기음 | |
| 리드5 | 100kg | 5000 | 633 | 557 |
| 125kg | 3880 | 491 | 431 | |
| 150kg | 3357 | 396 | 347 | |
| 리드10 | 100kg | 3220 | 563 | 474 |
| 125kg | 2554 | 434 | 367 | |
| 150kg | 2113 | 349 | 295 | |
| 리드25 | 65kg | 1522 | 614 | 458 |
| 85kg | 1136 | 451 | 336 | |
| 105kg | 893 | 350 | 262 | |
| 리드40 | 18kg | 2445 | 1616 | 1052 |
| 30kg | 1436 | 938 | 613 | |
| 40kg | 978 | 630 | 412 | |

| 벽면 설치 | 에이 | 비 | 기음 | |
| 리드5 | 110kg | 500 | 569 | 4500 |
| 130kg | 412 | 469 | 3711 | |
| 150kg | 347 | 396 | 3357 | |
| 리드10 | 110kg | 427 | 503 | 2900 |
| 130kg | 351 | 414 | 2444 | |
| 150kg | 295 | 349 | 2113 | |
| 리드25 | 70kg | 420 | 564 | 1404 |
| 90kg | 315 | 420 | 1066 | |
| 105kg | 262 | 350 | 893 | |
| 리드40 | 15kg | 1272 | 1955 | 2948 |
| 24kg | 778 | 1190 | 1813 | |
| 43kg | 412 | 630 | 978 | |

| 수직 설치 | 에이 | 기음 | |
| 리드5 | 30kg | 2355 | 2355 |
| 40kg | 1768 | 1768 | |
| 55kg | 1288 | 1288 | |
| 리드10 | 25kg | 2505 | 2505 |
| 35kg | 1795 | 1795 | |
| 45kg | 1396 | 1396 | |
| 리드25 | 15kg | 2711 | 2711 |
| 20kg | 2033 | 2033 | |
| 20kg | 2033 | 2033 | |
| 리드40 | 7kg | 3511 | 3511 |
| 12kg | 2055 | 2055 | |
| 12kg | 2055 | 2055 | |

| 나의 | 2052 |
| 국회의원 | 2052 |
| 씨 | 1810 |
| 사용 위치 | 구동 모드 | 모델 사양 | 모터 출력 (w) | 너비(mm) | 반복성 (mm) | 볼 스크류 사양 | 최대 탑재량(kg) | 최대 속도 (mm/s) *1 | ||
|---|---|---|---|---|---|---|---|---|---|---|
| 외경(mm) | 리드(mm) | 수평의 | 수직의 | |||||||
| 표준 환경 | 볼 스크류 | RMD12 | 100와트 | 102 | ±0.01 | 16 | 5 | 50 | 12 | 250 |
| 10 | 30 | 8 | 500 | |||||||
| 20 | 18 | 3 | 1000 | |||||||
| 32 | 5 | - | 1600 | |||||||
| 200와트 | 102 | ±0.01 | 16 | 5 | 50 | 12 | 250 | |||
| 10 | 30 | 8 | 500 | |||||||
| 20 | 18 | 3 | 1000 | |||||||
| 32 | 5 | - | 1600 | |||||||
| RMD14 | 200와트 | 135 | ±0.01 | 16 | 5 | 95 | 27 | 250 | ||
| 10 | 75 | 18 | 500 | |||||||
| 20 | 35 | 7 | 1000 | |||||||
| 32 | 15 | - | 1600 | |||||||
| 400와트 | 135 | ±0.01 | 16 | 5 | 110 | 33 | 250 | |||
| 10 | 88 | 22 | 500 | |||||||
| 20 | 40 | 10 | 1000 | |||||||
| 32 | 30 | 8 | 1600 | |||||||
| RMD17 | 400와트 | 170 | ±0.01 | 20 | 5 | 120 | 40 | 250 | ||
| 10 | 110 | 30 | 500 | |||||||
| 20 | 75 | 14 | 1000 | |||||||
| 40 | 22 | 7 | 2000 | |||||||
| 750와트 | 170 | ±0.01 | 20 | 5 | 120 | 50 | 250 | |||
| 10 | 120 | 40 | 500 | |||||||
| 20 | 83 | 25 | 1000 | |||||||
| 40 | 43 | 12 | 2000 | |||||||
| RMD22 | 750와트 | 220 | ±0.01 | 25 | 5 | 150 | 55 | 250 | ||
| 10 | 150 | 45 | 500 | |||||||
| 25 | 105 | 20 | 1250 | |||||||
| 20 | 40 | 43 | 12 | 2000 | ||||||
| RMD28 | 1500와트 | 280 | ±0.01 | 32 | 10 | 320 | 150 | 500 | ||
| 20 | 180 | 75 | 1000 | |||||||
| 32 | 75 | 35 | 1600 | |||||||
* 최고 속도는 서보 모터의 최대 회전수(3000rpm)를 기준으로 합니다. 최고 속도는 스테핑 모터의 최대 회전수(500rpm)를 기준으로 합니다.






